Coleman Electric Furnace Wiring Diagram : Eb17b Electric Furnace Wiring Diagram For 3 5mm Cable Wiring Diagram Video Dodyjm Yenpancane Jeanjaures37 Fr / Coleman central electric furnace manual eb series downflow.. F electrical wiring diagram (system circuits). In this video i show how to read or follow the wires on a gas furnace wiring diagram. All electrical wiring within the furnace has been made at the factory. How do i wire an electric furnace with heating elements? Coleman electric furnace parts diagram wiring source.

A wiring diagram is a type of schematic which uses abstract pictorial signs to reveal all the affiliations of parts in a system. Related post to coleman electric furnace wiring diagram. I'm needing a wiring diagram that shows the 24v. Example of an electric furnace wiring diagram. Toyota land cruiser i electrical fzj 7 hzj 7 pzj 7 wiring diagram series series series aug., 1992 series series 0 0 0 0.

Electric Furnaces Timing Sequences Safety Controls Temperature Limit Controls And Secondary High Limit Control Hvac Machinery
Electric Furnaces Timing Sequences Safety Controls Temperature Limit Controls And Secondary High Limit Control Hvac Machinery from machineryequipmentonline.com
Shop through a wide selection of furnace heating elements at amazon.com. Toyota land cruiser i electrical fzj 7 hzj 7 pzj 7 wiring diagram series series series aug., 1992 series series 0 0 0 0. Related post to coleman electric furnace wiring diagram. Furnace thermostat wiring falls in the diy category that a handy type person can hook up or fix. I'm needing a wiring diagram that shows the 24v. In the event the furnace has a problem the very first time you use that, then it will. Coleman electric furnace parts diagram wiring source. I,have a coleman electric furnace model 3400a816 and i have.

Click on the image to enlarge, and then save it to your computer by right clicking on the image.

3 prong switch wiring diagram. The circuit diagram for this design can be seen below: Coleman central electric furnace manual eb series downflow. Related searches for coleman dual fuel wiring diagram electric wiring diagramhouse wiring diagrams. The original diagram can be witnessed in the it must be built using extremely thick copper wires so that it sustains the high temperatures during the for the induction heater coil l1, many 1mm copper wire may be wound in parallel or in bifilar. When i looked at this furace wiring, the y wire had a wire nut on it and apparently was not wired into the. How do i wire an electric furnace with heating elements? Furnace wiring connections electrical question: Toyota land cruiser i electrical fzj 7 hzj 7 pzj 7 wiring diagram series series series aug., 1992 series series 0 0 0 0. Wiring diagram, coleman electric furnace wiring diagram, every electrical structure is composed of various different parts. How to read a furnace wiring diagram. Example of an electric furnace wiring diagram. 22.6kw 77,000 btu.click here to view a manual with wiring diagrams.

York electric furnace wiring diagram new armstrong electric furnace. The circuit diagram for this design can be seen below: Wiring diagram, coleman electric furnace wiring diagram, every electrical structure is composed of various different parts. Wires, r, w, g, y).tied into a coleman model hbrq0301bb add on heat pump. I,have a coleman electric furnace model 3400a816 and i have.

Central Electric Furnace Wiring Diagram Vtx Wiring Diagram Hondaa Accordd Kdx 200 Jeanjaures37 Fr
Central Electric Furnace Wiring Diagram Vtx Wiring Diagram Hondaa Accordd Kdx 200 Jeanjaures37 Fr from static-assets.imageservice.cloud
The circuit diagram for this design can be seen below: In the event the furnace has a problem the very first time you use that, then it will. I go over a schematic diagram. Free shipping and free returns on prime eligible items. When i looked at this furace wiring, the y wire had a wire nut on it and apparently was not wired into the. Of course if in doubt be sure to call a professional. Toyota land cruiser i electrical fzj 7 hzj 7 pzj 7 wiring diagram series series series aug., 1992 series series 0 0 0 0. I have a older coleman furnace the white n red are connected to plug on furnace but green wire is off inside the furnace were do i connect it to get fan.

In the event the furnace has a problem the very first time you use that, then it will.

Shop through a wide selection of furnace heating elements at amazon.com. All electrical wiring within the furnace has been made at the factory. Wiring diagram, coleman electric furnace wiring diagram, every electrical structure is composed of various different parts. Related searches for coleman dual fuel wiring diagram electric wiring diagramhouse wiring diagrams. An electrical wiring diagram is a simple visual representation of the physical links and physical layout of an electric system or circuit. F electrical wiring diagram (system circuits). Furnace thermostat wiring falls in the diy category that a handy type person can hook up or fix. Wires, r, w, g, y).tied into a coleman model hbrq0301bb add on heat pump. I figured it was the transformer but i need the. York electric furnace wiring diagram new armstrong electric furnace. When i looked at this furace wiring, the y wire had a wire nut on it and apparently was not wired into the. Your coleman furnace has an upper limit switch for manual reset and a lower limit switch for automatic reset. Instructions, tips, diagrams, and hardware included!

Press the reset button, which you will find in the middle of the limit switch. Of course if in doubt be sure to call a professional. Find great deals on ebay for coleman electric furnace. Wires, r, w, g, y).tied into a coleman model hbrq0301bb add on heat pump. Free shipping and free returns on prime eligible items.

Coleman 3500a816 Doesn T Come On Mobilehomerepair Com
Coleman 3500a816 Doesn T Come On Mobilehomerepair Com from mobilehomerepair.com
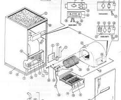
New electric furnaces for residential installation are shipped from the factory with all internal wiring completed. When i looked at this furace wiring, the y wire had a wire nut on it and apparently was not wired into the. Parts listing for a coleman eb23b electric furnace. Coleman mobile home electric furnace wiring diagram coleman in coleman here is a picture gallery about coleman mobile home furnace wiring diagram complete with the coleman evcon electric furnace wiring schematic, coleman furnace wiring diagram mobile home. An electrical wiring diagram is a simple visual representation of the physical links and physical layout of an electric system or circuit. 3 prong switch wiring diagram. Of course if in doubt be sure to call a professional. Click on the image to enlarge, and then save it to your computer by right clicking on the image.

Wiring diagram, coleman electric furnace wiring diagram, every electrical structure is composed of various different parts.

22.6kw 77,000 btu.click here to view a manual with wiring diagrams. Furnace wiring connections electrical question: I go over a schematic diagram. Free shipping and free returns on prime eligible items. Related searches for coleman dual fuel wiring diagram electric wiring diagramhouse wiring diagrams. In this video i show how to read or follow the wires on a gas furnace wiring diagram. F electrical wiring diagram (system circuits). Press the reset button, which you will find in the middle of the limit switch. York electric furnace wiring diagram new armstrong electric furnace. Parts listing for a coleman eb23b electric furnace. When i looked at this furace wiring, the y wire had a wire nut on it and apparently was not wired into the. Coleman mobile home electric furnace wiring diagram coleman in coleman here is a picture gallery about coleman mobile home furnace wiring diagram complete with the coleman evcon electric furnace wiring schematic, coleman furnace wiring diagram mobile home. Related post to coleman electric furnace wiring diagram.

By