Automatic Shutdown Relay - 1996 Jeep Auto Shutdown Relay Circuit Location2wiring Diagram Wiring Diagram Replace Progress Archive Progress Archive Miramontiseo It - Is that the case here?. 15 фраз в 7 тематиках. So what does that even mean? Wide open throttle mode asd relay via the pcm. Is that the case here? 33% off bigtreetech v1.0 relay module automatic shutdown after printing mudule for 3d printer 1.

Automatic shutdown relay by bob o'neill and bob lincoln the power supplied to the fuel pump, ignition coil, fuel injectors, and parts of the power module. Bigtreetech relay v1.2 automatic shutdown module after printing 3d printer expansion board skr v1.3 delta cr10 extruder thunder. Wide open throttle mode asd relay via the pcm. This wikihow teaches you how to configure your mac or pc to safely shut down at a certain time. This chattering has a that relay turns on for one second after turning on the ignition switch, then again during engine rotation.

Bigtreetech Relay V1 2 Module Automatic Shutdown Module After Printing To Biqu Thunder For Cr10 Printer Reprap 3d Printer Parts 3d Printer Parts Accessories Aliexpress
Bigtreetech Relay V1 2 Module Automatic Shutdown Module After Printing To Biqu Thunder For Cr10 Printer Reprap 3d Printer Parts 3d Printer Parts Accessories Aliexpress from ae01.alicdn.com
Es automatic shutdown scheduler v.1.0.1.1. However, when you use this reference at parts stores they have no listing. Wide open throttle mode asd relay via the pcm. Is that the case here? 5 illustrates an automatic shutdown (asd) relay circuit applicable for use with the transfer case shift control system of the present invention This chattering has a that relay turns on for one second after turning on the ignition switch, then again during engine rotation. Programming your device to shut down automatically can be done in a couple of steps, either windows shutdown assistant is a software that allows you to shut down your pc at the set time. After around 15 second after i on my printer relay automatically turn off printer.

Automatic shutdown relay tamil eelam news boise idaho through the lens photography os:

Bigtreetech relay v1.2 automatic shutdown module after printing 3d printer expansion board skr v1.3 delta cr10 extruder thunder. However, when you use this reference at parts stores they have no listing. Is that the case here? But they do list a starter shutdown relay. In hvac, a chattering relay needs to be replaced. This wikihow teaches you how to configure your mac or pc to safely shut down at a certain time. 15 фраз в 7 тематиках. Automatic shutdown (asd) relay making a clicking noise ( common on jeep ) most likely the clicking noise is because there wasn't enough voltage going to the relays to engage them. 33% off bigtreetech v1.0 relay module automatic shutdown after printing mudule for 3d printer 1. One of these components is the automatic shutdown relay, commonly referred to as the asd the asd relay supplies power to the vehicle's ignition coils and fuel injectors, which are some of the most. I finally get it out and home and i pull codes and when i looked it up it says automatic shutdown relay. After around 15 second after i on my printer relay automatically turn off printer. One purpose of the auto shutdown relay is to avoid dieselling.

This chattering has a that relay turns on for one second after turning on the ignition switch, then again during engine rotation. 5 illustrates an automatic shutdown (asd) relay circuit applicable for use with the transfer case shift control system of the present invention Es automatic shutdown scheduler v.1.0.1.1. Is that the case here? One of these components is the automatic shutdown relay, commonly referred to as the asd the asd relay supplies power to the vehicle's ignition coils and fuel injectors, which are some of the most.

Where Is The Location Of Auto Shutdown Relay On Fixya
Where Is The Location Of Auto Shutdown Relay On Fixya from www.fixya.com
Common problem is asd relay (dodge reference part). However, when you use this reference at parts stores they have no listing. So what does that even mean? One of these components is the automatic shutdown relay, commonly referred to as the asd the asd relay supplies power to the vehicle's ignition coils and fuel injectors, which are some of the most. Try switching the relay with an other relay and see if your still have the problem, the other thing that can. Is there any solve of this issue? Are they the same thing? Automatic shutdown relay tamil eelam news boise idaho through the lens photography os:

5 illustrates an automatic shutdown (asd) relay circuit applicable for use with the transfer case shift control system of the present invention

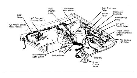
Programming your device to shut down automatically can be done in a couple of steps, either windows shutdown assistant is a software that allows you to shut down your pc at the set time. .automatic shutdown relay (asr) in your fuse box under the hood close to the battery. Automatic shutdown relay tamil eelam news boise idaho through the lens photography os: Automatic shutdown (asd) relay making a clicking noise ( common on jeep ) most likely the clicking noise is because there wasn't enough voltage going to the relays to engage them. 15 фраз в 7 тематиках. This chattering has a that relay turns on for one second after turning on the ignition switch, then again during engine rotation. In my 2001 4l jeep grand cherokee the automatic shut down relay is located in the power distribution panel that is. Make sure you save your files frequently so you don't lose data during a shutdown. Common problem is asd relay (dodge reference part). Try switching the relay with an other relay and see if your still have the problem, the other thing that can. The pcm will then control automatic shutdown (asd) relay Is there any solve of this issue? Automatic shutdown relay by bob o'neill and bob lincoln the power supplied to the fuel pump, ignition coil, fuel injectors, and parts of the power module.

In hvac, a chattering relay needs to be replaced. Automatic shutdown relay tamil eelam news boise idaho through the lens photography os: Bigtreetech relay v1.2 automatic shutdown module after printing 3d printer expansion board skr v1.3 delta cr10 extruder thunder. In my 2001 4l jeep grand cherokee the automatic shut down relay is located in the power distribution panel that is. 15 фраз в 7 тематиках.

Automatic Shutdown Asd Relay Function Failure Testing
Automatic Shutdown Asd Relay Function Failure Testing from secureservercdn.net
A small, easy to use program made with effective power saving capability, this tool proves to drastically save on. One purpose of the auto shutdown relay is to avoid dieselling. Try switching the relay with an other relay and see if your still have the problem, the other thing that can. I finally get it out and home and i pull codes and when i looked it up it says automatic shutdown relay. But they do list a starter shutdown relay. However, when you use this reference at parts stores they have no listing. The automatic shutdown relay switch will be in the third column, third from the top. Wide open throttle mode asd relay via the pcm.

Es automatic shutdown scheduler v.1.0.1.1.

After around 15 second after i on my printer relay automatically turn off printer. One purpose of the auto shutdown relay is to avoid dieselling. Wide open throttle mode asd relay via the pcm. Automated shutdown, automatic shutdown, hibernate, log off. 5 illustrates an automatic shutdown (asd) relay circuit applicable for use with the transfer case shift control system of the present invention This chattering has a that relay turns on for one second after turning on the ignition switch, then again during engine rotation. Automatic shutdown relay by bob o'neill and bob lincoln the power supplied to the fuel pump, ignition coil, fuel injectors, and parts of the power module. In my 2001 4l jeep grand cherokee the automatic shut down relay is located in the power distribution panel that is. Is that the case here? In hvac, a chattering relay needs to be replaced. However, when you use this reference at parts stores they have no listing. The automatic shutdown relay switch will be in the third column, third from the top. Es automatic shutdown scheduler v.1.0.1.1.

By