98 Mazda Protege Wiring Diagram / 98 Mazda Protege Wiring Diagram Ford F 150 Power Door Lock Wiring Diagram Ace Wiring Yenpancane Jeanjaures37 Fr - Mazda 626 1995 wiring diagram.pdf.. Wiring diagrams mazda by model. Mazda protege service and repair manuals. 1991 mazda 323 injection engine. A diagnoslic module continuously nronilors the systems' readiness. Turn off key and engine stays running.

Mazda 626 1995 wiring diagram.pdf. Turn off key and engine stays running. Complete factory workshop manual for the mazda 323 / protege bg series, made between 1989 and 1994. We at mazda design andbuild vehicles with complete customer satisfaction in mind. 98 mazda protege wiring diagram wiring diagram structure cop mazda tribute wiring diagram wiring diagram technic.

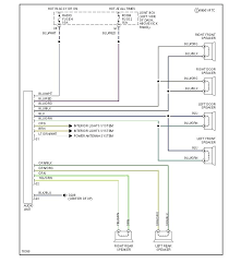
98 Mazda Protege Engine Diagram Wiring Diagram Wave Related Wave Related Paolopistis It
98 Mazda Protege Engine Diagram Wiring Diagram Wave Related Wave Related Paolopistis It from www.fixya.com
1991 mazda 323 injection engine. It is important to select your exact vehicle year as. Turn off key and engine stays running. We've checked the years that the manuals cover and we have mazda protege repair manuals for the following years; Mazda 323 protege bg series factory workshop and service manual. 98 mazda protege wiring diagram wiring diagram structure cop mazda tribute wiring diagram wiring diagram technic. A word to mazda owners. My car has the 1.8l fp engine.

Commando car alarms offers free wiring diagrams for your mazda protege.

A word to mazda owners. It is important to select your exact vehicle year as. Commando car alarms offers free wiring diagrams for your mazda protege. Rear wiper and washer wiring diagram. Mazda protege service and repair manuals. 1998 mazda protege wiring diagrams manual. 98 mazda protege wiring diagram wiring diagram structure cop mazda tribute wiring diagram wiring diagram technic. 1998 mazda protege electrical wiring diagram service repair shop manual oem 98. Turn off key and engine stays running. Mazda 323 protege bg series factory workshop and service manual. These protege manuals have been provided by our users, so we can't guarantee completeness. Do you have the wiring diagram for a 1999 mazda protege? 764 x 877 jpeg 116 кб.

Mazda 626 1995 wiring diagram.pdf. We've checked the years that the manuals cover and we have mazda protege repair manuals for the following years; 98 mazda protoge 1.8 liter won't shut off. Mx5, miata, rx7, cx7, mpv mazda wiring diagrams; A set of wiring diagrams may be required by the electrical inspection authority to take up membership of the house to the public electrical supply system.

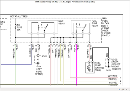
98 Mazda 626 Wiring Diagram And Wiring Diagram Trite Personal Trite Personal Ristorantebotticella It
98 Mazda 626 Wiring Diagram And Wiring Diagram Trite Personal Trite Personal Ristorantebotticella It from static-resources.imageservice.cloud
This begins when lhe ignjtion switch is lumed to the on posilion and. + mazda protege (1999 — 2003). Fuse box diagram (location and assignment of electrical fuses) for mazda protege (2000, 2001, 2002, 2003). It is important to select your exact vehicle year as. These protege manuals have been provided by our users, so we can't guarantee completeness. A word to mazda owners. Mazda 626 1995 wiring diagram.pdf. Grille cont'd signal lamp vq noble green;

My car has the 1.8l fp engine.

A diagnoslic module continuously nronilors the systems' readiness. Grille cont'd signal lamp vq noble green; Use this information for installing car alarm, remote car starters and keyless please select the exact year of your mazda protege to view your vehicle sepecific diagram. We've checked the years that the manuals cover and we have mazda protege repair manuals for the following years; How to download a mazda protege repair manual (for any year). Commando car alarms offers free wiring diagrams for your mazda protege. A word to mazda owners. These protege manuals have been provided by our users, so we can't guarantee completeness. Mazda 929 1991 wiring diagram.rar. A set of wiring diagrams may be required by the electrical inspection authority to take up membership of the house to the public electrical supply system. Mazda protege service and repair manuals. Free pdf download for thousands of cars and trucks. 98 mazda protege wiring diagram wiring diagram structure cop mazda tribute wiring diagram wiring diagram technic.

I need a list of pin assignments and wire colors for the ecu and wiring harness.… read more. + mazda protege (1999 — 2003). Click download to get the full free document or view any other protege pdf totally free. How to download a mazda protege repair manual (for any year). We've checked the years that the manuals cover and we have mazda protege repair manuals for the following years;

1998 Mazda Protege Electrical Wiring Diagram Service Manual Ebay
1998 Mazda Protege Electrical Wiring Diagram Service Manual Ebay from i.ebayimg.com
Changed ignition switch = same. 1990 98 mazda 323protege chassis schematics. Free pdf download for thousands of cars and trucks. We at mazda design andbuild vehicles with complete customer satisfaction in mind. Commando car alarms offers free wiring diagrams for your mazda protege. We've checked the years that the manuals cover and we have mazda protege repair manuals for the following years; 1998 mazda protege wiring diagrams manual. Do you have the wiring diagram for a 1999 mazda protege?

Mx5, miata, rx7, cx7, mpv mazda wiring diagrams;

98 mazda protege wiring diagram wiring diagram structure cop mazda tribute wiring diagram wiring diagram technic. Click download to get the full free document or view any other protege pdf totally free. A diagnoslic module continuously nronilors the systems' readiness. Mx5, miata, rx7, cx7, mpv mazda wiring diagrams; 1998 mazda protege electrical wiring diagram service repair shop manual oem 98. Mazda 626 1995 wiring diagram.pdf. Do you have the wiring diagram for a 1999 mazda protege? These protege manuals have been provided by our users, so we can't guarantee completeness. Mazda 323 protege bg series factory workshop and service manual. Changed ignition switch = same. Grille cont'd signal lamp vq noble green; 764 x 877 jpeg 116 кб. Complete factory workshop manual for the mazda 323 / protege bg series, made between 1989 and 1994.

By